Ochranné pouzdro pro lana zkratovací soupravy
21.11.2025Tabulka bezpečnostní A3 “Obsluha výkonových transformátorů”
14.1.2026
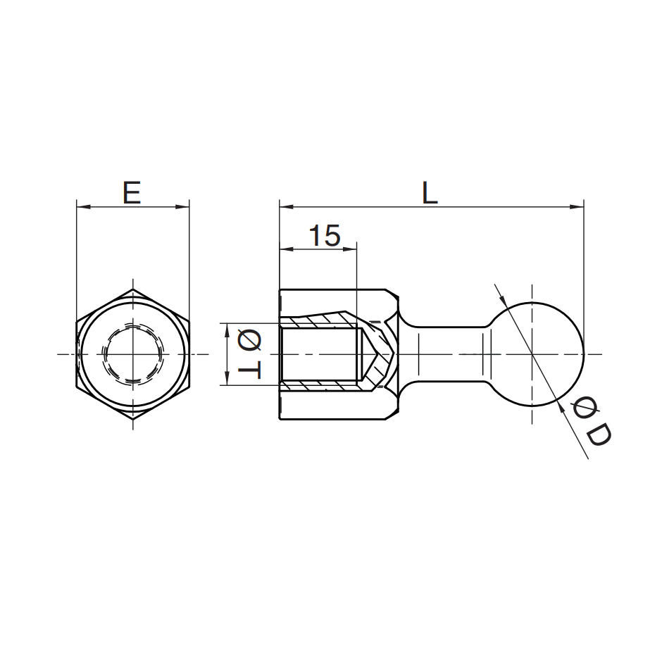
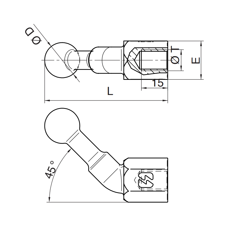
Zkratový kulový bod Cu, 25 kA
Položka je standardně SKLADEM.
Zkratový kulový bod s průměrem koule 25 mm. Zkratový bod je určen k osazení na stálá zkratová místa v zařízeních VN. Lze použít i na uzemnění.
Zkratová odolnost: 25 kA/1s
Průměr koule: 25 mm
Materiál: slitina Cu
Povrchová úprava: Sn
| Varianta |
ØD |
E |
L |
L2 |
L3 |
ØT |
| [mm] |
– |
[mm] |
[mm] |
[mm] |
– |
| S665024 |
25 |
SW27 |
69 |
– |
– |
M12 |
| S665026 |
25 |
SW27 |
69 |
– |
– |
M16 |
| S665038 |
25 |
SW27 |
99 |
69 |
30 |
M12 |
| S665042 |
25 |
SW27 |
104 |
69 |
35 |
M16 |
| S665054 |
25 |
SW27 |
82 |
– |
– |
M12 |
| S665056 |
25 |
SW27 |
82 |
– |
– |
M16 |
| S665064 |
25 |
SW27 |
112 |
82 |
30 |
M12 |
| S665066 |
25 |
SW27 |
117 |
82 |
35 |
M16 |